Array ( [cat_id] => 34 [cat_name] => 电能质量治理 [unique_id] => diannengzhiliang [parent_id] => 0 [url] => http://www./product/diannengzhiliang ) 智能电容控制器-华体会·(hth)体育
电能质量治理 电力能源管理 智能配电设备 机电传动自控 智慧数字电力 品牌战略授权
智能电容控制器
产品概述

ZHXK-2000Z系列低压智能电容控制器,主要应用于0.4KV低压电力系统中,主要由单片机、信号采集模块、存储通信模块、开关控制模块、人机界面、和电源模块等组成,经过数据采集、信息处理后,通过信号指令对补偿设备投切开关进行自动化控制,来满足系统对无功功率的实际需求,来实现提高功率因数,提高电力变压器的利用效率,降低线损,改善电压质量的作用。产品广泛应用于工厂配电系统、居民小区配电系统、市政商业建筑、交通隧道配电系统、户外箱式变电站、户外综合配电箱等领域。

性能特点

测量准确:以基波无功功率计算投切电容器容量,可避免多种形式的投切震荡,并在有谐波的场合下能正确显示电网功率因数,功率因数测量精度高,显示范围宽。

可靠性高:具有掉电保护功能,控制参数停电不丢失;具有过电压、欠电压、畸变率超标、过温保护;具有谐波测量及保护功能。可以安全、可靠地在强磁场环境中运行。

多种显示:可实时显示电网功率因数、电压、电流、有功功率、无功功率、电压总谐波畸变率电流总谐波畸变率、频率的平均值及电容投切状态等信息;

使用方便:快捷功能键盘,大屏幕LCD显示屏,中文操作,人机界面,各种控制参数全数字可调直观使用方便;并具有自动运行与手动运行2种工作方式;

通讯组网能力强:具有RS-485,MODBUS标准现场总线通讯接口,可以通过有线、无线等传输方式接入云平台、配电集中控制室等监控系统。

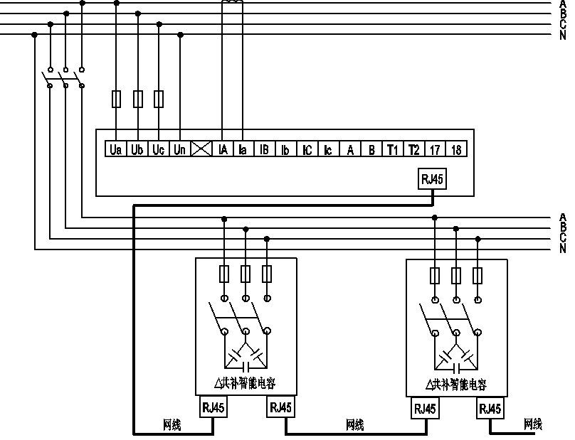
方案原理

设计依据

GB/T15576-1995 《低压无功功率静态补偿装置总技术条件》

JB/T9663-1999  《低压无功功率自动补偿控制器》

DL/T 597-2017   《低压无功补偿控制器使用技术条件》

技术参数

显示屏

中文液晶

电源电压

AC220V/AC380V

额定频率

50Hz

取样电压

AC220V/AC380V

取样电流

0~5A

控制方式

RJ45网口输出

电流变比

10~2500

过压保护

300~480V

欠压保护

280V~380V

谐波电压保护

0%~100%

功率因数

0.85~1.00

电容投入延时

1~600S

电容切除延时

1~600S

电容放电延时

1~600S

通讯

RS485,MODBUS协议;波特率2400/4800/9600/19200bpS

三相补偿电容器组数设置

0~64

电容器组数分配

三相组数≤64组

电容预置

0~99.9kvar

投切方式

手动/自动

电压

±0.5%

电流

±0.5%

功率因数

±1.0%

有功功率

±1.0%

无功功率

±1.0%

频率

±0.1Hz

应用环境

本产品工作场所海拔不超过2000米,环境温度-40℃~+45℃,相对湿度:日平均不大于95%,月平均不大于90%。

本产品运行场所应具备无有害气体、可燃气体、蒸汽等污染,无导电性或者爆炸性尘埃,运行场所应无经常性的剧烈机械振动。

本产品户内使用运行,如果在特殊情况下户外使用,需加装保护壳,并参考相关标准保证保护壳的防护等级。

本产品避免长期在潮湿环境中放置,如受潮或者凝露,为避免短路,切忌第一时间通电试验,需在专业工程师指导下采取正确方法措施后进行故障排除。


型号定义

外观结构

选型参考

 

型号

描述

控制方式

外形尺寸(W*H)

嵌入厚度(D)

安装尺寸(W*H)

采样

备注

ZHXK-2000/64Z

64路控制器,智能电容器应用

RJ45网口输出

144*144

54

138*138

三相电压一相电流


订货须知

电力系统图;

装机容量,控制回路数量;

控制组合(单柜/主辅柜)

投切开关类别;

采样极相(电压/电流)

面板开孔尺寸;安装方式;

负载性质;

特殊要求注明;

©2024 版权所有 华体会·(hth)体育