Array ( [cat_id] => 34 [cat_name] => 电能质量治理 [unique_id] => diannengzhiliang [parent_id] => 0 [url] => http://www./product/diannengzhiliang ) 高压补偿控制器-华体会·(hth)体育
电能质量治理 电力能源管理 智能配电设备 机电传动自控 智慧数字电力 品牌战略授权
高压补偿控制器

产品概述

ZHXK-3000系列高压无功补偿控制器适用于10kV低压电力系统中,产品主要由单片机、信号采集模块、存储通信模块、开关控制模块、人机界面、和电源模块等组成,经过数据采集、信息处理后,通过信号指令对补偿设备投切开关进行自动化控制,来满足系统对无功功率的实际需求,来实现提高功率因数,提高电力变压器的利用效率,降低线损,改善电压质量的作用。产品广泛应用在电力传输、配电、工业、新能源等领域。

性能特点

实时数据;具有系统电压、运行电流、对电力系统中有功功率、无功功率、功率因数进行实时监测,可选的事件报警记录、整点数据记录功能。

故障保护:所有的对外接线端子均可承受上千伏的电压冲击而不影响正常工作,具有较高的抗干扰能力,可以自动发现程序运行错误并瞬间复位,杜绝“死机”现象;

智能控制: 既可以控制等容量电容器又可控制不等容量电容器或者等容和差容混合情况既可以仅控制无功,也可按电压辅助的原则进行电压无功的综合控制;

操作简单;具有手动、自动转换功能,用于对系统电力电容器组无功功率补偿的自动化控制,最大可控制8路电容器组。

保护功能;具有过压保护功能,欠压保护功能,谐波越限保护功能、2-15次谐波电压含有率、谐波电流含有量及谐波总畸变率数据表显示功能。

显示通讯;全中文液晶屏显示,报警状态、电容器组投切状态显示功能,RS485通讯功能,后台通讯功能,“四遥”功能

催款功能:对极个别信誉低的用户可使用催款功能,在到达规定的运行日期后,自动启动催款功能,停止控制器的工作。

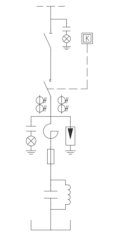
方案原理

设计依据
GB/T 15153.1-1998远动设备及系统抗干扰性
DL/T 721-2013 配电网自动化系统远方终端

技术参数

工作电源

AC110V-220V,DC110V-220V

测量精度

电压≤±0.5%,电流≤±0.5%

有功功率

 ≤±1.0%,无功功率≤±1.0%,功率因数≤±1.0%

取样方式 

 两相电压一相电流

取样输入电压

 AC100V

取样输入电流

5A/1A

取样灵敏度

60mA

控制输出 

8路

开入量 

 8路

报警输出

1路

通讯

RS485

安装方式

嵌入式

应用环境

海拔高度:79.5KPa~106KPa(海拔≤2500米 )

环境温度:-10℃ ~ +60℃

相对湿度:空气湿度在 20℃时≤90%,在温度较低时,允许有较高的相对湿度

环境条件:周围介质无爆炸危险、无足以损坏绝缘及腐蚀金属的气体,无导电尘埃


型号含义


外观结构


选型参考

 

产品型号

最大控制回路

外形尺寸

嵌入尺寸

ZHXK-3000

8

270*165*80

260*152

订货须知

电力系统图;

装机容量,控制回路数量;

控制组合(单柜/主辅柜)

投切开关类别;

采样极相(电压/电流)

面板开孔尺寸;安装方式;

负载性质;

特殊要求注明;

©2024 版权所有 华体会·(hth)体育