Array ( [cat_id] => 34 [cat_name] => 电能质量治理 [unique_id] => diannengzhiliang [parent_id] => 0 [url] => http://www./product/diannengzhiliang ) 补偿滤波模块-华体会·(hth)体育
电能质量治理 电力能源管理 智能配电设备 机电传动自控 智慧数字电力 品牌战略授权
补偿滤波模块

产品概述

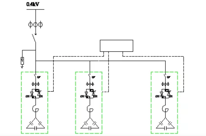
ZHXK-MB系列补偿滤波模块应用于0.4KV低压电力系统中,主要由控制单元、投切单元、保护单元、电容电抗组件集成一个独立完整的智能补偿模块。作为低压无功功率补偿设备核心元件重要的组成部分,与电网并联,就地提供系统中感性负荷所需要的容性无功,提高电力系统功率因数,减少无功损耗,改善电网供电质量及提高用电的可靠性,产品广泛应用于工厂配电系统、居民小区配电系统、市政商业建筑、交通隧道配电系统、户外箱式变电站、户外综合配电箱等领域。

性能特点

智能测控:数据采集,快速实时采样,实现三相电流、三相电压、三相有功、无功、现在功率等电网参数的高精度测量、运算及诸波分析。

滤波功能:有效抑制高次谐波涌流,对高次谐波形成低阻抗通路。对谐波具有吸收泄放作用,能消除高次谐波对电容器的影响,减轻和抑制谐波电流和闪变电流。

智能投切:真正的零投切,无需晶闸管辅助电路,本系统采用CPU处理过零信号后的投切动作,实现过零投切、无涌流、无电弧、响应快,提高了设备的可靠性和使用寿命。

智能组网:485通讯接口,内置 MODBUS-RTU协议;可实现远程监控。产品可多台联机使用时,自动产生主机从机,构成无功自动控制系统。

故障处理;个别从机出现故障时自动退出,不影响其他机器工作。主机故障时自动退出,网络内再自动产生新的主机,组成新的系统工作,智能化程度极高。

安全可靠:匹配高性能电力电容器和串联电抗器,体积小、重量轻、高品质、低温升、低功耗、寿命长,从而保证了整机的安全性和可靠性。

节能降耗:采用模块化产品组装成的产品补偿装置,其体积有着明显的减小,即节能环保,又减少安装空间,接线简单,可以随时增加电容电容器的数量。

操作方便:采用液晶屏中文界面,实时显示当前电容器温度,电流电压及谐波参数,通过按键查询各种参数及设备运行状态,还可设置各类保护参数并存储,掉电效据不丢失。

方案原理

设计依据

JB/T 11067-2011《低压有源电力滤波装置》

技术参数

适用场合

系统以5、7次以上频率谐波为主

电容额定电压

480V

配套电抗率

7%

单组安装容量

≤70kVar

相数

三相

系统额定电压

400V

最小响应时间

动态:15ms

投切开关

动态:继电器、晶闸管开关

控制电压

动态:12VDC

放电时间

带放电电阻t≤3min

防护等级

户内柜式IP30

应用环境

本产品工作场所海拔不超过2000米,环境温度-20℃ ~ +40℃,相对湿度:日平均不大于95%,月平均不大于90%;大气压力:79.5Kpa ~ 106KPa。

本产品运行场所应具备无有害气体、可燃气体、蒸汽等污染,无导电性或者爆炸性尘埃,运行场所应无经常性的剧烈机械振动。

本产品户内使用运行,如果在特殊情况下户外使用,需加装保护壳,并参考相关标准保证保护壳的防护等级。

本产品避免长期在潮湿环境中放置,如受潮或者凝露,为避免短路,切忌第一时间通电试验,需在专业工程师指导下采取正确方法措施后进行故障排除。


型号含义

外观结构

选型参考

 

产品型号

安装方式

容量(kVar)

电容器额定电压(V)

L*W*H(mm)

A*B(mm)

C*D(mm)

ZHXK-MB-480-25+25-3-P7

卧式

25+25

480

400*602*325

100*425

250*590

ZHXK-MB-480-30+30--3-P7

卧式

30+30

480

400*602*325

100*425

250*590

ZHXK-MB-480-40-3-P7

卧式

40

480

400*602*325

100*425

250*590

ZHXK-MB-480-50-3-P7

卧式

50

480

400*602*325

100*425

250*590

ZHXK-MB-480-60-3-P7

卧式

60

480

400*602*325

100*425

250*590

ZHXK-MB-480-80-3-P7

卧式

80

480

400*602*325

100*425

250*590

ZHXK-MB-280-30-3N-P7

卧式

30

280

400*602*325

100*425

250*590

ZHXK-MB-280-60-3N-P7

卧式

60

280

400*602*325

100*425

250*590

订货须知

电力系统图;

系统电压等级;

投切补偿容量;

极相(三相/单相)

补偿方式(SVG+电容/SVG+电容电抗);

安装方式(卧式/立式);

负载性质;

特殊要求注明;

©2024 版权所有 华体会·(hth)体育